Электропривод RLF05-220S(H)
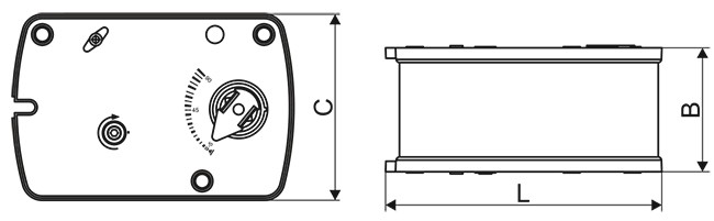
Габаритные размеры

|
Модель |
B |
C |
L |
Размер вала, мм |
Масса, кг |
|
RLF05-220S(H) |
59 |
98 |
156 |
□ 12х12 |
<2,0 |
Технические характеристики
|
Модель |
Номинальное напряжение, В |
Крутящий момент, Н·м** |
Площадь заслонки, м²** |
Потребляемая мощность, при вращении/ в состоянии покоя, Вт |
Рабочая температура, °С |
Время срабатывания, с |
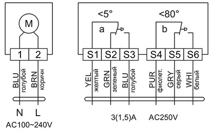
Управление |
|
RLF05-220S(H)* |
220 |
5 |
<1,0 |
5,0/3,0 |
-30...+50 |
<70 (пружина <20) |
2-х позиционное |
* S - 2 вспомогательных SPDT переключателя.
** Площадь заслонки указана справочно. При выборе электропривода необходимо учитывать также величину необходимого крутящего момента.
Электрические схемы подключения
